Digitálny odchýlkomer ID-F 12,7 mm, Mitutoyo
Multifunkčný odchýlkomer s vysokou presnosťou ponúka nasledujúce výhody:
- dvojfarebný (zelený/červený) podsvietený LCD displej s vedľajšou analógovou stupnicou umožňuje vizuálne vyhodnotenie tolerancii Dobrý/Zlý. Ak dôjde k prekročeniu tolerancie, displej zmení farbu zo zeleného na červený.
- zobrazenie maxima, minima alebo hádzania
- možnosť externého ovládania a externého prenosu dát.
- rozhranie Digimatic.
- externé napájanie cez adaptér
- funkcie: Nulovanie, Vyhodnotenie Ok/n.Ok, Výstup dát, Zap./Vyp., Data/Hold, Analógový prepínač rozsahu merania, Hodnota Max./Min./Hádzanie, Lock, Preset, Prepínanie smeru odčítania, Prepínateľné rozlíšenie, Výpočtové funkcie, Uživateľské tlačidlá
- hysterézia 0,002 mm
- opakovateľnosť 0,002 mm
- displej LCD, výška číslic 11 mm
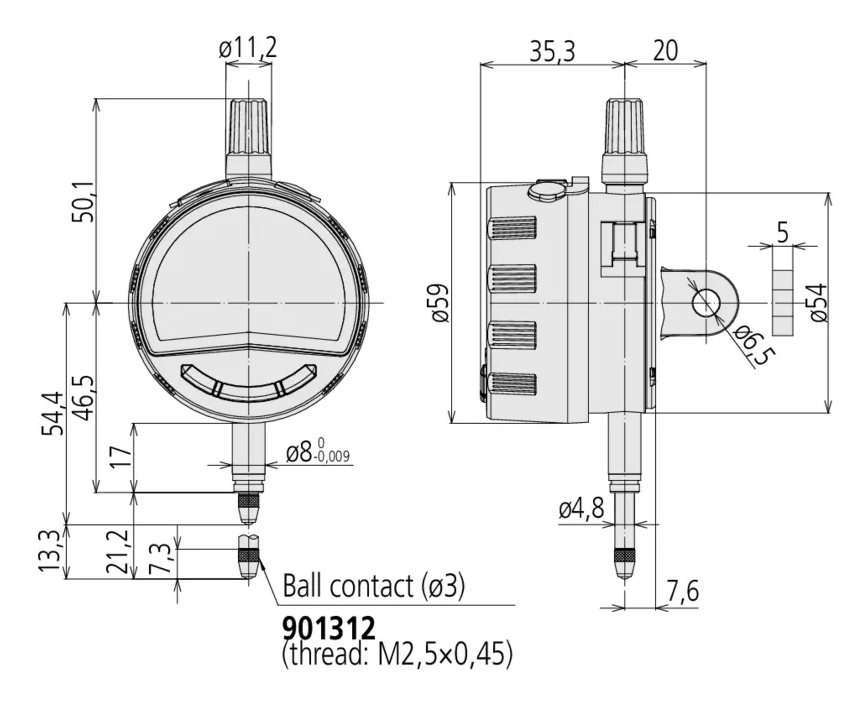
- priemer upínacej stopky 8 mm
- merací dotyk: guľôčka z tvrdokovu, závit M 2,5 x 0,45 mm
- napájanie: sieťový adaptér 5,9V DC, 2A














.png&w=60&h=60)
.jpg&w=60&h=60)






























.png&w=100&h=100)
.jpg&w=100&h=100)
















