Digitálny odchýlkomer ID-C 12,7 mm, Mitutoyo
Multifunkčný odchýlkomer, ktorý sa vyznačuje spoľahlivosťou a jednoduchou obsluhou:
- snímač Absolute zabezpečuje, že nemusíte nastavovať nulový bod po každom zapnutí
- vyhodnotenie tolerancií
- jednoduchý výpočet užívateľom definovaným faktorom Ax (x - posuv vretena)
- displej LCD otočný o 330°, výška číslic 11 mm
- uzamknutie displeja pred neoprávneným použitím
- Funkcie: Nulovanie/ABS prepínanie, Vyhodnotenie OK/n.Ok, Výstup dát, Zap./Vyp., Data/Hold, Lock, Preset, Výpočtové funkcie, Prepínanie smeru odčítania, Funkcia upozornenia na kalibráciu, Užívateľské tlačidlá, Nastavenie automatického vypínania, Analógový prepínač rozsahu merania
- hysterézia 0,02 mm
- opakovateľnosť 0,01 mm
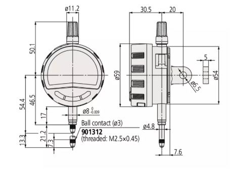
- priemer upínacej stopky 8 mm
- merací dotyk: guľôčka z tvrdokovu, závit M 2,5 x 0,45 mm
- napájanie: batéria CR2032 (životnosť cca 2700 hod.)
- dodávané vrátane batérie, nástroja na otvorenie krytu batérie, závažia (modely s nízkou silou), kontrolného certifikátu














.png&w=60&h=60)
.jpg&w=60&h=60)






























.png&w=100&h=100)
.jpg&w=100&h=100)
















