Digitálny odchýlkomer ID-C 12,7 mm, Mitutoyo
Digitálny odchýlkomer ID-C s režimom podržania Max/Min/Hádzanie:
- s funkciami Max/Min/Hádzanie pre zachytenie hodnoty vrcholu
- nastaviteľný režim merania s rýchlym vzorkovaním (20-50 krát/sek.) pre spoľahlivejšie meranie v móde zachytenia vrcholu (Max./Min./Hádzanie)
- možnosť použitia výpočtového vzorca meranej hodnoty Ax, A= užívateľský koeficient, x = posun vretena
- jednoduché nastavenie pomocou menu Nastavenie
- funkcia vyhodnotenia tolerancie OK/nOK
- funkcie: 3 x Preset, Nulovanie/ABS prepínanie, Vyhodnotenie OK/n.OK, Výstup dát, Zap./Vyp., Analógový prepínač rozsahu merania, Max./Min./Hádzanie, Lock, Režim rýchleho merania, Výpočtové funkcie, Prepínanie smeru odčítania
- hysterézia 0,002 mm
- opakovateľnosť 0,002 mm
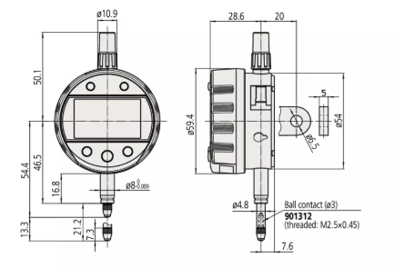
- displej LCD otočný o 330°, výška číslic 8 mm
- priemer upínacej stopky 8 mm
- merací dotyk: guľôčka z tvrdokovu, závit M 2,5 x 0,45 mm
- dodávané vrátane batérie CR2032 (životnosť štandardný mód cca 1 rok, rýchly mód cca 4,5 mesiaca)














.png&w=60&h=60)
.jpg&w=60&h=60)






























.png&w=100&h=100)
.jpg&w=100&h=100)
















