Digitálny odchýlkomer ID-C 12,7 mm, Mitutoyo
Odchýlkomery s externým napájaním a tromi I/O výstupmi Ok/n.Ok.
- meranie Min/Max/Rozsah (=hádzanie)
- uloženie troch rôznych hodnôt Preser a nastavenie tolerancií
- funkcie výpočtu Ax, A = užívateľský koeficient, x = posunutie vretena
- analógová stupnica na displeji (12 rôznych stupníc)
- funkcia vyhodnotenia dobrý/zlý
- funkcie: výstup signálu +n.Ok, OK, -n.Ok, Vyvolanie predvolby, Nulovanie/ABS prepínanie, Hold, 3 x Preset, Zap./Vyp., Analógový prepínač rozsahu merania, Posúdenie tolerancii LED, Lock, Výpočtové funkcie, Prepínanie smeru odčítania, Max./Min./Hádzanie.
- hysterézia 0,002 mm
- opakovateľnosť 0,002 mm
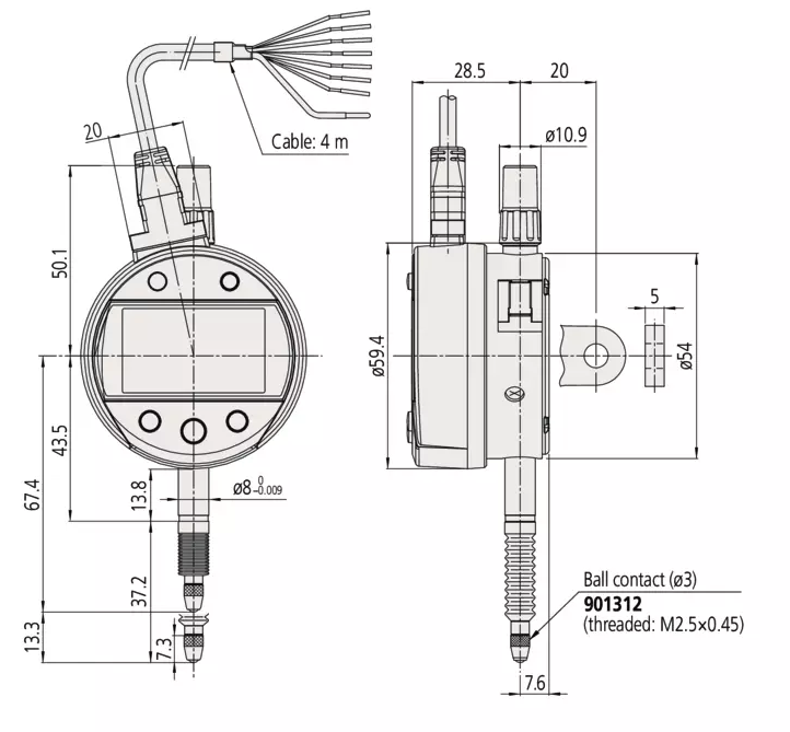
- displej LCD, výška číslic 8 mm
- priemer upínacej stopky 8 mm
- merací dotyk: guľôčka z tvrdokovu, závit M 2,5 x 0,45 mm
- napájanie DC 5 - 24 V














.png&w=60&h=60)
.jpg&w=60&h=60)






























.png&w=100&h=100)
.jpg&w=100&h=100)
















