Číselníkový odchýlkomer s vysokou presnosťou 2 mm/0,001 mm, Insize
2313-2FA
Odchýlkomer s rubínovými ložiskami
Limitné ukazovatele
Rozsah na otáčku: 0,2 mm
Hysterézia: 2,5 µm zobraziť viac
Na sklade u výrobcu
Naša cena produktu:
136,00
EUR
/ ks
bez DPH
167,28
EUR
/ ks
s DPH
Tlačiť
Popis produktu
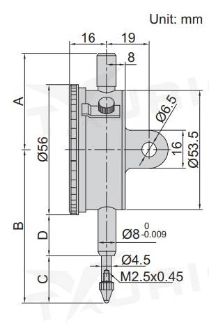
Odchýlkomer s rubínovými ložiskami
Limitné ukazovatele
Rozsah na otáčku: 0,2 mm
Hysterézia: 2,5 µm
Značka:
Insize
Merací rozsah:
2 mm
Delenie stupnice:
0,001 mm
Možnosť kalibrácie:
áno
Stupnica:
0-100-0
Zadná strana:
plochá
Kód produktu
2313-2FA
Dokumenty na stiahnutie:
Tento produkt nemá žiadne dokumenty na stiahnutie














.png&w=60&h=60)
.jpg&w=60&h=60)






























.png&w=100&h=100)
.jpg&w=100&h=100)
















