Číselníkový odchýlkomer 5 mm/0,001 mm, Mitutoyo
2118A-10
Mitutoyo, štandardný číselnikový odchýlkomer:
- aretácia a zdvíhacia páčka môžu byť pripevnené na pravej alebo ľavej strane
- žiadne závitové otvory na ráme a bezpečná priľnavosť medzi číselníkom a kryštalickým povlakom zabraňujú prieniku vody a oleja
- priebežná stupnica
- priemer upínacej stopky 8 mm
- chyba hysterézie merania 2 ... zobraziť viac
Na sklade u výrobcu
Naša cena produktu:
158,00
EUR
/ ks
bez DPH
194,34
EUR
/ ks
s DPH
Tlačiť
Popis produktu
Mitutoyo, štandardný číselnikový odchýlkomer:
- aretácia a zdvíhacia páčka môžu byť pripevnené na pravej alebo ľavej strane
- žiadne závitové otvory na ráme a bezpečná priľnavosť medzi číselníkom a kryštalickým povlakom zabraňujú prieniku vody a oleja
- priebežná stupnica
- priemer upínacej stopky 8 mm
- chyba hysterézie merania 2,5 µm
- R MPE opakovateľnosť 2 µm
- merací dotyk osadený tvrdokovom, závit M 2,5x 0,45 mm
- dodávané s kontrolným certifikátom
Značka:
Mitutoyo
Merací rozsah:
5 mm
Delenie stupnice:
0,001 mm
Možnosť kalibrácie:
áno
Ochrana IP:
nie
Rozsah na otáčku/mm:
0,2 mm
Meracia sila:
0,4 - 1,5 N
Stupnica:
0-100-100
Zadná strana:
s očkom
Ciferník:
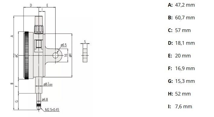
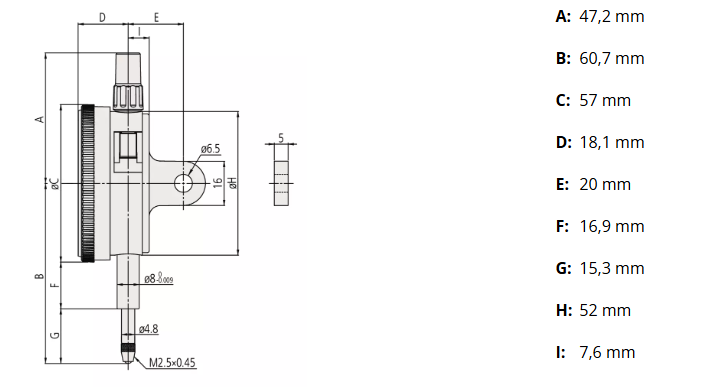
57 mm
Kód produktu
2118A-10
Dokumenty na stiahnutie:
Tento produkt nemá žiadne dokumenty na stiahnutie














.png&w=60&h=60)
.jpg&w=60&h=60)






























.png&w=100&h=100)
.jpg&w=100&h=100)
















