Číselníkový odchýlkomer 10 mm/0,01 mm, Mitutoyo
2046A-60
Mitutoyo, štandardný číselnikový odchýlkomer:
- aretácia a zdvíhacia páčka môžu byť pripevnené na pravej alebo ľavej strane
- žiadne závitové otvory na ráme a bezpečná priľnavosť medzi číselníkom a kryštalickým povlakom zabraňujú prieniku vody a oleja
- priebežná stupnica
- priemer upínacej stopky 8 mm
- chyba hysterézie merania 3 ... zobraziť viac
Na sklade u výrobcu
Naša cena produktu:
140,00
EUR
/ ks
bez DPH
172,20
EUR
/ ks
s DPH
Tlačiť
Popis produktu
Mitutoyo, štandardný číselnikový odchýlkomer:
- aretácia a zdvíhacia páčka môžu byť pripevnené na pravej alebo ľavej strane
- žiadne závitové otvory na ráme a bezpečná priľnavosť medzi číselníkom a kryštalickým povlakom zabraňujú prieniku vody a oleja
- priebežná stupnica
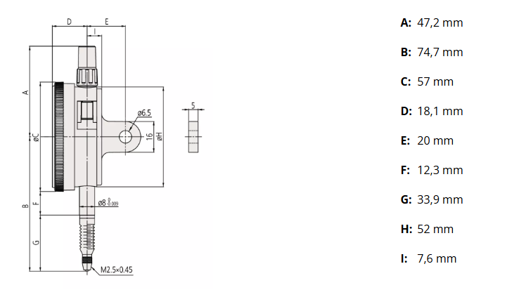
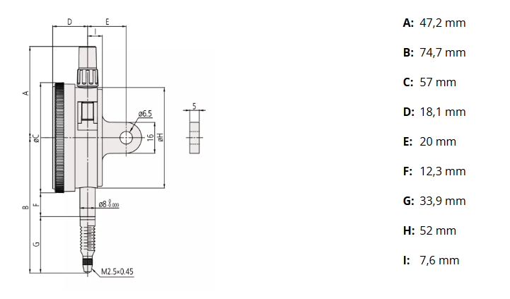
- priemer upínacej stopky 8 mm
- chyba hysterézie merania 3 µm
- R MPE opakovateľnosť 3 µm
- merací dotyk osadený tvrdokovom, závit M 2,5x 0,45 mm
- dodávané s kontrolným certifikátom
Značka:
Mitutoyo
Merací rozsah:
10 mm
Možnosť kalibrácie:
áno
Ochrana IP:
IP 64
Rozsah na otáčku/mm:
1 mm
Meracia sila:
0,4 - 2,5 N
Stupnica:
+/- 0-100
Zadná strana:
s očkom
Ciferník:
57 mm
Kód produktu
2046A-60
Dokumenty na stiahnutie:
Tento produkt nemá žiadne dokumenty na stiahnutie














.png&w=60&h=60)
.jpg&w=60&h=60)






























.png&w=100&h=100)
.jpg&w=100&h=100)
















